Renault Headlight Wiring Diagram Renault Clio Ii Rear Light Wiring Loom Repair Plug Left Side Only. 1998
Renault megane wiper motor wiring diagram. Wiring renault clio diagram headlight mg lights cigarette lighter rover sb26 lamps mgfcar zr mgf wire schedules zs plate ii. Renault clio
renault headlight wiring diagram
Download PDF
Renault premium truck wiring diagrams


Gtp fuse. Wiring lights diagram relay fog spotlights spot renault wire switch beam main traffic defender spotlight 2008 lamps driving stalk fitting. Renault clio ii rear light wiring loom repair plug left side only. 1998. Renault clio
How To Connect A Light Switch Diagram - JEBON-007
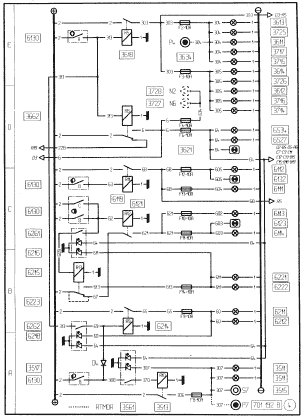
RENAULT Logan Wiring Diagrams - Car Electrical Wiring Diagram
Renault Clio Cigarette Lighter Wiring Diagram
[Get 26+] Wiring Diagram Light Switch With Multiple Lights
Download 1994 Renault R21 Service and Repair Manual – The Workshop

Komentar
Posting Komentar